Posts

Showing posts from May, 2024

Carbon fiber fuselage with 8m seams can be CO2 laser welded

Image
European researchers  say they have successfully welded two halves of an 8-meter-long fuselage made of carbon-reinforced fibers with a CO2 laser. This means that ultralight passenger aircraft can be manufactured using this method.   The demonstration, completed by a large international consortium led by Airbus and comprising several Fraunhofer institutes, provides proof of concept for the chipless connection of carbon fiber-reinforced thermoplastic (CFRTP) component structures with a CO2 laser. Dynamic Beam Shaping Working under the Multifunctional Fuselage Demonstrator (MFFD) project, which is part of the EU's wider Clean Skies 2 research program, the team at the Fraunhofer Institute for Materials and Beam Technology (IWS) in Dresden says the novel construction method and process will significantly reduce weight, material and time. The novel construction method and process will significantly reduce weight, material, and time.   They used a CO2 source to weld long seams ...

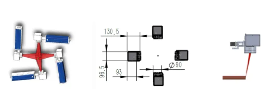
Laser seam tracker + welding robot realizes intelligent welding

Image
 With the continuous development of the manufacturing industry, the application of automation technology in the welding field has become increasingly popular. Welding is an indispensable part of the manufacturing industry, and its level of automation and intelligence is directly related to product quality and production efficiency. As advanced welding auxiliary equipment, the MRJ laser welding seam tracker can be adapted to most welding robots on the market, achieving breakthroughs in intelligent welding and bringing revolutionary changes to many industries. MRJ Laser Weld Seam Tracker uses laser sensors to perform non-contact measurements of weld seams. Detecting and tracking the weld seam position in real-time, ensures the accurate alignment of the weld seams during the welding process, thereby achieving high-quality welding. Its principle mainly includes key steps such as laser emission, weld seam identification, and tracking control. The laser beam is emitted by the laser trans...

120W high peak MOPA laser is a powerful tool for glass drilling and texturing

Image
With the advancement of science and technology and the accelerated pace of transformation and upgrading of the manufacturing industry, the glass deep processing industry, as an important part of modern industry, has put forward higher requirements for precision processing, efficient production, energy conservation, and environmental protection. As an innovative pioneer in the field of laser technology, GZ laser tech actively responds to market demand and creates a new high-peak MOPA laser----[F-120-GT-10-N2-Pro+] The peak power of fiber pulse laser has long been in the order of 10kW and is widely used in marking metal materials. For hard and brittle materials such as glass that are difficult to process, breaking the peak limit of nanosecond fiber pulse laser has always been the direction pursued by fiber MOPA pulse technology. GZ laser tech 120W high peak GT-Pro+ laser adopts a self-designed amplifier scheme and electronic control scheme, which greatly increases the peak power of singl...

Laser Welding in X-pin Windings

Image
Flat wire motors, as a kind of new energy vehicle drive motors, are more in line with the development trend of lightweight and integration of new energy vehicles by their compact size and high power efficiency. Therefore, with the prosperous development of the new energy vehicle market, the electrification rate of new energy vehicles , and the increasing proportion of dual-motor models, the industry demand for flat wire motors is growing explosively.   Compared with round wire motors, flat wire motors have the advantages of high slot fullness, high power density, high efficiency, etc. They can also achieve the characteristics of small size, high efficiency, strong thermal conductivity, low-temperature rise, and low noise. According to relevant data, flat wire motors are 10% more energy efficient than round wire motors. The continued prosperity of the new energy vehicle industry demands, that the market penetration of flat wire motors continues to accelerate. This will bring a doubl...